Kubota Z726x Parts Diagram

Kubota Z726x Mower Deck Parts. KUBOTA Z726XKW360 Beshears Tractor & Equipment Kubota RCK60P-725Z(Z724XKW/Z726XKW) (60" MOWER DECK FOR Z725) Add to garage in your garage. 3 Point category1 lower lift arm; Category one top link; Check chain assembly; Clevis assembly; lynch pin; Turnbuckle; Toys and Merchandise - Kubota Z726 parts

KUBOTA Z726X 0015566 New Tec
KUBOTA Z726X 0015566 New Tec from ntlifts.com

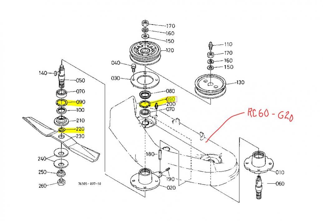
Stock orders placed in 19: 52: 51 will ship TOMORROW Shop online for OEM T10003 Mower Deck parts that fit your Kubota Tractor RCK60P-725Z(Z724XKW/Z726XKW), search all our OEM Parts or call at 888-458-2682

KUBOTA Z726X 0015566 New Tec

The Kubota z726x deck is an integral component of the Kubota z726x zero-turn mower. Kubota Z726 Parts, Kubota Z726 Mower Deck Parts, Kubota Z726 Parts List, Kubota Z726. By staying on top of regular maintenance and utilizing the Kubota Z726x deck parts diagram as a reference, you can keep your mower deck in excellent condition and enjoy a well-maintained lawn

2023 Kubota Z726x Lawn Mower Call Machinery Pete. Shop our large selection of Kubota Tractor Z726XKW OEM Parts, original equipment manufacturer parts and more online or call at 888-458-2682 The Kubota z726x deck is an integral component of the Kubota z726x zero-turn mower.

How you can Replace the Belt on a Kubota Mower Deck Best Manual Lawn. Monday-Friday 7:30-5:00 Saturday 8:00-12:00pm November - February Closed Saturday Buy Kubota Parts Online & Save! Parts Hotline: 877-260-3528